全部分类
收藏

促销 舍弗勒 INA 3800-2RS 薄壁轴承

角接触球轴承39..-B-2RZ-TVH,双列,密封圈,塑料保持架;旧型号:3800 2RS

售价
登录可见 / 套
15销量
INA

INA

INA轴承是德国的品牌,隶属于舍弗勒集团。该品牌成立于1946年,总部位于德国纽伦堡,专注于滚动轴承和直线运动产品的设计、生产和销售。

优惠券
满5000减100
满1000减20
  • 100 满5000减100

    全场适用

  • 20 满1000减20

    全场适用

配送至
运输方式
  • 出库执行
    出库时间
    售价
    库存
    产地及备注
    购买数量
  • 华东W1仓
    周一~周六截单:17:15:00
    ¥登录可见
    1
    暂无
    - +
已选 0 0
金额: ¥0.00
  • 2RS: :两端接触式密封
  • 您当前的产品型号: 您当前的产品型号
  • 润滑剂: GA14 标准润滑脂组D<=62mm
  • 密封: 2RS 两侧接触式密封
  • 保持架: TVH 玻纤保持架
  • 公差等级: PN PN
  • 内部轴向游隙: CN CN
  • 尺寸/热稳定性: to 120°
  • 设计变量: B B(接触角25°)
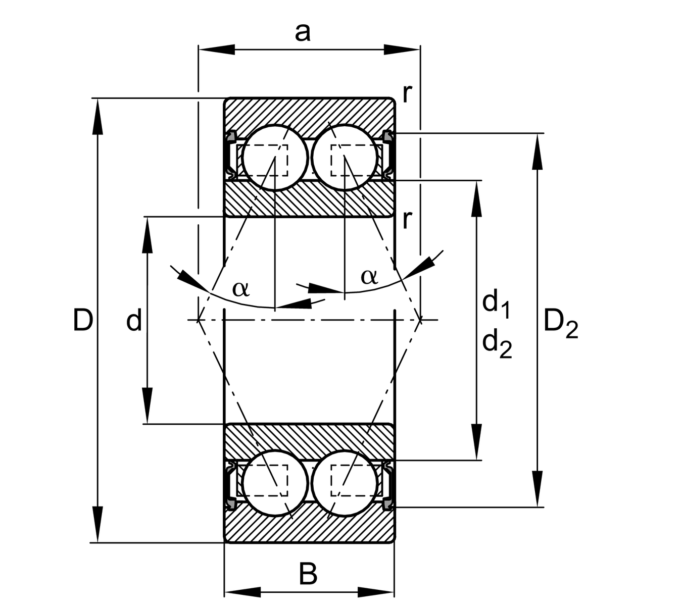
  • 主要尺寸和性能数据:
  • d: 10mm
  • D: 19mm
  • B: 7mm
  • Cr: 2,080 N
  • C0r: 1,370 N
  • Cur: 72 N
  • nG: 21,100 r/min
  • ≈m: 0.009 kg
  • 尺寸:
  • rmin: 0.3 mm
  • D2: 16.7 mm
  • d2: 12.2 mm
  • a: 9 mm
  • α: 25 °
  • 安装尺寸:
  • da: min 12 mm
  • Da: max 17 mm
  • ra: max 0.3 mm
  • 温度范围:
  • Tmin: -20°C
  • Tmax: 100°C
3800-2RS
温馨提示 ×
商品已成功加入购物车!
购物车共 0 件商品
去购物车结算
微信 ×

打开微信,点击底部的“发现”

使用“扫一扫”即可将网页分享至朋友圈