全部分类
收藏

促销 舍弗勒 INA GRAE35-XL-NPP-B 外球面球轴承

外球面球轴承GRAE..-XL-NPP-B;旧型号:GRAE35-NPP-B

售价
登录可见 / 套
8销量
INA

INA

INA轴承是德国的品牌,隶属于舍弗勒集团。该品牌成立于1946年,总部位于德国纽伦堡,专注于滚动轴承和直线运动产品的设计、生产和销售。

优惠券
满5000减100
满1000减20
  • 100 满5000减100

    全场适用

  • 20 满1000减20

    全场适用

配送至
运输方式
  • 出库执行
    出库时间
    售价
    库存
    产地及备注
    购买数量
  • 华北T8仓
    周一~周五截单:17:30:00
    ¥登录可见
    34
    暂无
    - +
  • 华东W1仓
    周一~周六截单:17:15:00
    ¥登录可见
    61
    暂无
    - +
已选 0 0
金额: ¥0.00
全部4个规格
品牌 型号 仓位 产地 包装 库存 售价 购买数量 操作
INA GRAE35-XL-NPP-B#N1 华北3H仓 选择商包 7 登录可见
INA GRAE35-XL-NPP-B#EN 华北3H仓 选择工包 32 登录可见
INA GRAE35-XL-NPP-B#EN 华北T8仓 次日发货 选择工包 105 登录可见
INA GRAE35-XL-NPP-B#EN 华中X7仓 满200发货 选择工包 177 登录可见

没有相关规格

  • GRAE...NPP-B: :带偏心套的外球面球轴承
  • XL: :X-life长寿命设计
  • 您当前的产品型号: 您当前的产品型号
  • 密封: NPP NPP
  • 外表面形状: B B
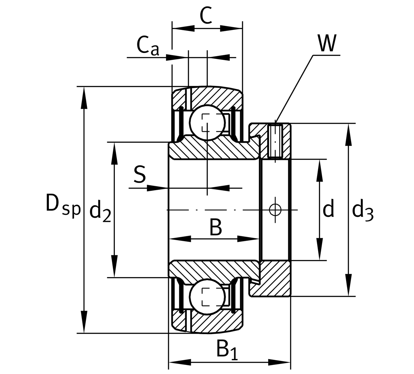
  • 主要尺寸和性能数据:
  • d: 35mm
  • DSP: 72mm
  • B: 25.4mm
  • B1: 39 mm
  • nG: Grease 11,700 r/min
  • Cr: 25,500 N
  • C0r: 15,300 N
  • Cur: 650 N
  • ≈m: 0.47 kg
  • 尺寸:
  • C: 19 mm
  • S: 9.5 mm
  • d2: 44.6 mm
  • Ca: 5.6 mm
  • d3: 55 mm
  • W: 5 mm
  • 计算因素:
  • f0: 13.8
GRAE35-XL-NPP-B
温馨提示 ×
商品已成功加入购物车!
购物车共 0 件商品
去购物车结算
微信 ×

打开微信,点击底部的“发现”

使用“扫一扫”即可将网页分享至朋友圈