全部分类
收藏

热门 舍弗勒 INA DRS50140 密封组件

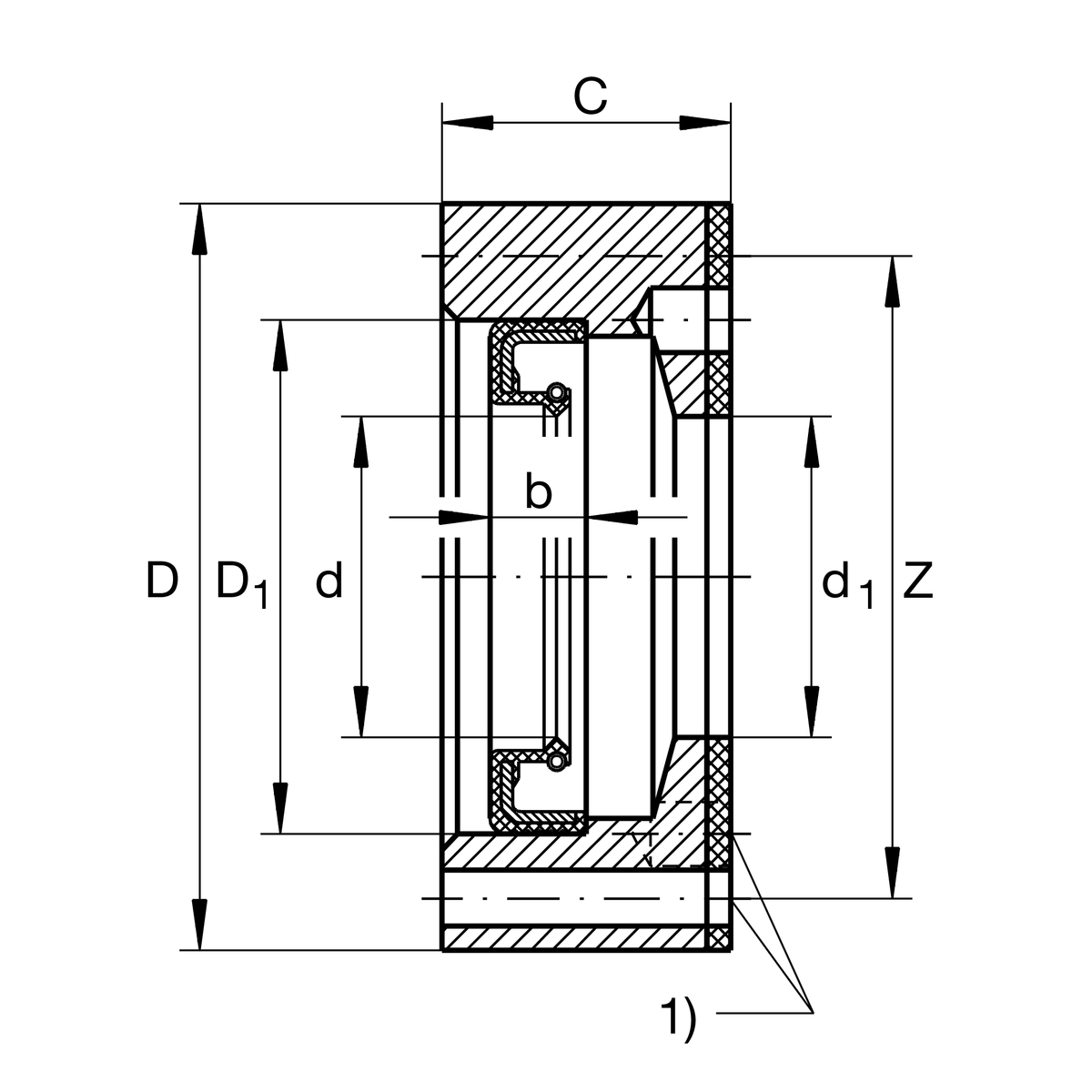
密封载体组件DRS,适合ZARF,ZARF..-L,带整体式旋转轴密封;旧型号:DRS 50140

限时秒杀
距离结束还有 11 29 20 0
售价
登录可见 / 套
0销量
INA

INA

INA轴承是德国的品牌,隶属于舍弗勒集团。该品牌成立于1946年,总部位于德国纽伦堡,专注于滚动轴承和直线运动产品的设计、生产和销售。

优惠券
满5000减100
满1000减20
  • 100 满5000减100

    全场适用

  • 20 满1000减20

    全场适用

配送至
运输方式
  • 出库执行
    出库时间
    售价
    库存
    产地及备注
    购买数量
  • 华东C8仓
    周一~周五截单:15:30:00
    ¥登录可见
    1
    暂无
    - +
  • 华东5K仓
    周一~周五截单:17:00:00
    ¥登录可见
    17
    产地进口,货期2周
    - +
  • 华东1S仓
    周一~周五截单:17:00:00
    ¥登录可见
    5
    暂无
    - +
已选 0 0
金额: ¥0.00
  • DRS: :螺栓头侧为唇式密封
  • 主要尺寸和性能数据:
  • d1: 95 mm
  • D: 140mm
  • C: 30 mm
  • ≈m: 1.345 kg
  • 尺寸:
  • Z: 127.5 mm
  • d: 95mm
  • D1: 115 mm
  • b: 13mm
  • M5X40:
  • 1): 4
  • 附加信息:
  • ZARF50140(-L)-TV:
DRS50140
温馨提示 ×
商品已成功加入购物车!
购物车共 0 件商品
去购物车结算
微信 ×

打开微信,点击底部的“发现”

使用“扫一扫”即可将网页分享至朋友圈