全部分类
收藏

促销 舍弗勒 INA RNA6910-ZW-XL 向心滚子轴承

滚针轴承RNA69..-ZW,尺寸系列69,双列;旧型号:RNA6910-ZW

限时秒杀
距离结束还有 09 16 42 0
售价
登录可见 / 套
20销量
INA

INA

INA轴承是德国的品牌,隶属于舍弗勒集团。该品牌成立于1946年,总部位于德国纽伦堡,专注于滚动轴承和直线运动产品的设计、生产和销售。

优惠券
满5000减100
满1000减20
  • 100 满5000减100

    全场适用

  • 20 满1000减20

    全场适用

配送至
运输方式
  • 出库执行
    出库时间
    售价
    库存
    产地及备注
    购买数量
  • 西北2N仓
    周一~周日截单:17:00:00
    ¥登录可见
    8
    暂无
    - +
  • 华东W1仓
    周一~周六截单:17:15:00
    ¥登录可见
    100
    暂无
    - +
  • 华东9C仓
    周一~周五截单:18:00:00
    ¥登录可见
    62
    暂无
    - +
已选 0 0
金额: ¥0.00
全部2个规格
品牌 型号 仓位 产地 包装 库存 售价 购买数量 操作
INA RNA6910-ZW-XL#EN 华中X7仓 满200发货 选择工包 30 登录可见
INA RNA6910-ZW-XL#N(QJ仓) 华东7W仓 选择工包 10 登录可见

没有相关规格

  • RNA...XL: :实体滚针轴承,无内圈
  • ZW: :ZW-双列滚针和保持架组件
  • 您当前的产品型号: 您当前的产品型号
  • 保持架: 标准 标准
  • 列数: ZW 2
  • 润滑孔: with with
  • 涂层: 不带 无
  • 密封: 不带 无
  • 特性: 不带 无
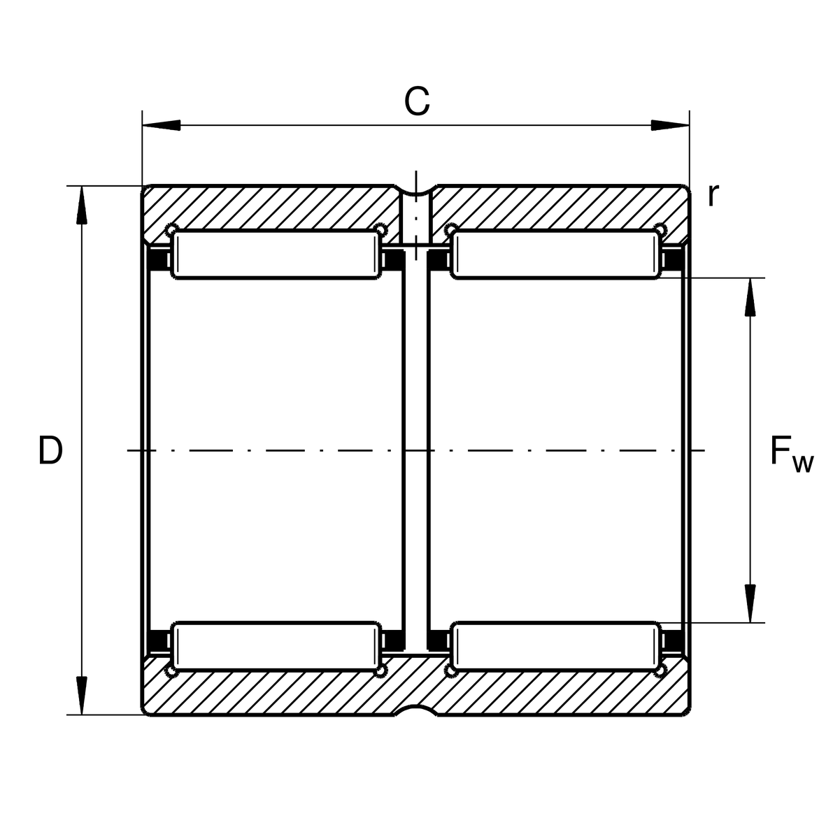
  • 主要尺寸和性能数据:
  • Fw: 58 mm
  • D: 72mm
  • Cr: 82,000 N
  • C0r: 139,000 N
  • Cur: 23,800 N
  • nG: 7,800 r/min
  • nG: Grease 4,650 r/min
  • ner: 4,400 r/min
  • ≈m: 306.82 g
  • 尺寸:
  • rmin: 0.6 mm
  • C: 40 mm
  • 温度范围:
  • Tmin: -30°C
  • Tmax: 120°C
RNA6910-ZW-XL
温馨提示 ×
商品已成功加入购物车!
购物车共 0 件商品
去购物车结算
微信 ×

打开微信,点击底部的“发现”

使用“扫一扫”即可将网页分享至朋友圈