全部分类
收藏

热门 促销 舍弗勒 FAG 234420-M-SP 推力角接触球轴承

推力角接触球轴承2344,双向,可分离,公差带变窄

售价
登录可见 / 套
18销量
FAG

FAG

德国FAG集团成立于1883 年,是全球第一家轴承制造商。自2001年起,FAG成为德国舍弗勒集团的一部分,并在集团的航天、汽车和工业领域起到了积极和重要的作用

优惠券
满5000减100
满1000减20
  • 100 满5000减100

    全场适用

  • 20 满1000减20

    全场适用

配送至
运输方式
  • 出库执行
    出库时间
    售价
    库存
    产地及备注
    购买数量
  • 华北G7仓
    周一~周五截单:17:00:00
    ¥登录可见
    5
    暂无
    - +
已选 0 0
金额: ¥0.00
  • 2344...M-SP: :双向推力角接触球轴承,M为铜合金实体保持架, 公差等级,尺寸精度≈P5,旋转精度≈P4; =BTW...CTN9/SP
  • 您当前的产品型号: 您当前的产品型号
  • 保持架: M 黄铜保持架
  • 公差等级: SP 公差等级SP
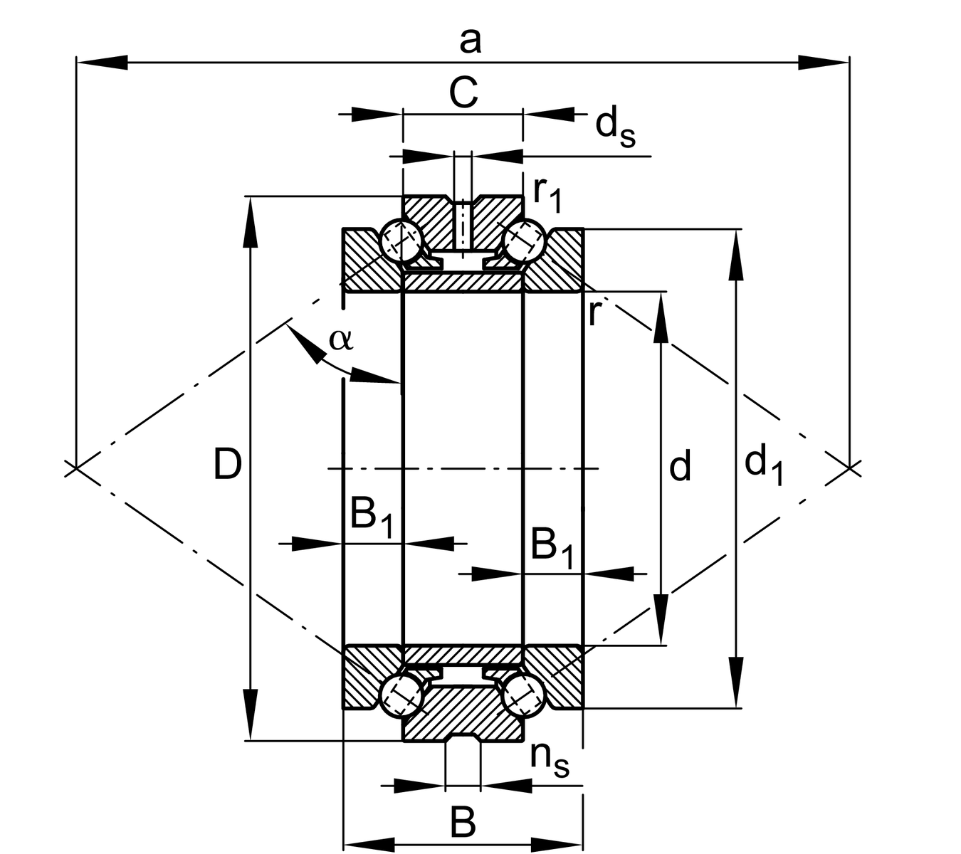
  • 主要尺寸和性能数据:
  • d: 100mm
  • D: 150mm
  • B: 60mm
  • C: 30 mm
  • Ca: 68,000 N
  • C0a: 229,000 N
  • Cua: 18,800 N
  • nG: Grease 3,800 r/min
  • nG: Oil 5,000 r/min
  • ≈m: 3.165 kg
  • 尺寸:
  • d1: 133 mm
  • B1: 15 mm
  • rmin: 1.5 mm
  • r1: min 0.3 mm
  • ds: 4.8 mm
  • ns: 9.5 mm
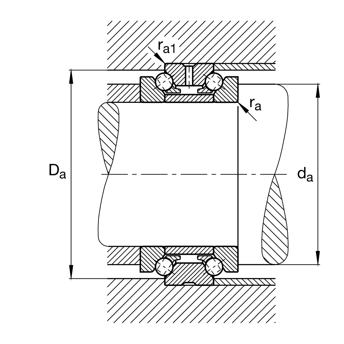
  • 安装尺寸:
  • da: 120.5 mm
  • da: h12
  • Da: 140.5 mm
  • Da: H12
  • ra: max 1.5 mm
  • ra1: max 0.3 mm
  • α: 60 °
  • a: 249.5 mm
  • 附加信息:
  • ca: 843 N/µm
  • KaE: 1,956 N
  • Fv: 685 N
  • 温度范围:
  • Tmin: -30°C
  • Tmax: 150°C


温馨提示 ×
商品已成功加入购物车!
购物车共 0 件商品
去购物车结算
微信 ×

打开微信,点击底部的“发现”

使用“扫一扫”即可将网页分享至朋友圈