全部分类
收藏

热门 舍弗勒 FAG 32206-DY#N 薄壁轴承

角接触球轴承 32, 双列, 带填充槽, 冲压钢板保持架

限时秒杀
距离结束还有 11 29 29 0
售价
登录可见 / 套
1109销量
FAG

FAG

德国FAG集团成立于1883 年,是全球第一家轴承制造商。自2001年起,FAG成为德国舍弗勒集团的一部分,并在集团的航天、汽车和工业领域起到了积极和重要的作用

优惠券
满5000减100
满1000减20
  • 100 满5000减100

    全场适用

  • 20 满1000减20

    全场适用

配送至
运输方式
  • 出库执行
    出库时间
    售价
    库存
    产地及备注
    购买数量
  • 华东Z10仓
    周一~周日截单:17:53:00
    ¥登录可见
    880
    韩国产 商业包装
    - +
  • 华东3W仓
    周一~周五截单:16:30:00
    ¥登录可见
    4
    暂无
    - +
已选 0 0
金额: ¥0.00
  • DY: :在韩国生产并以 FAG 品牌销售的圆锥滚子轴承可以通过后缀 -DY/-DZ 来识别
  • #N: :舍弗勒包装方式的表述,一般为工业包装,大型轴承也有独立木箱包装
  • 您当前的产品型号: 您当前的产品型号
  • 润滑剂: 不带 无
  • 密封: 不带 无
  • 保持架: J 冲压钢板
  • 公差等级: PN PN
  • 内部轴向游隙: CN CN
  • 尺寸/热稳定性: S0 热稳定性尺寸(150°)
  • 设计变量: FN FN
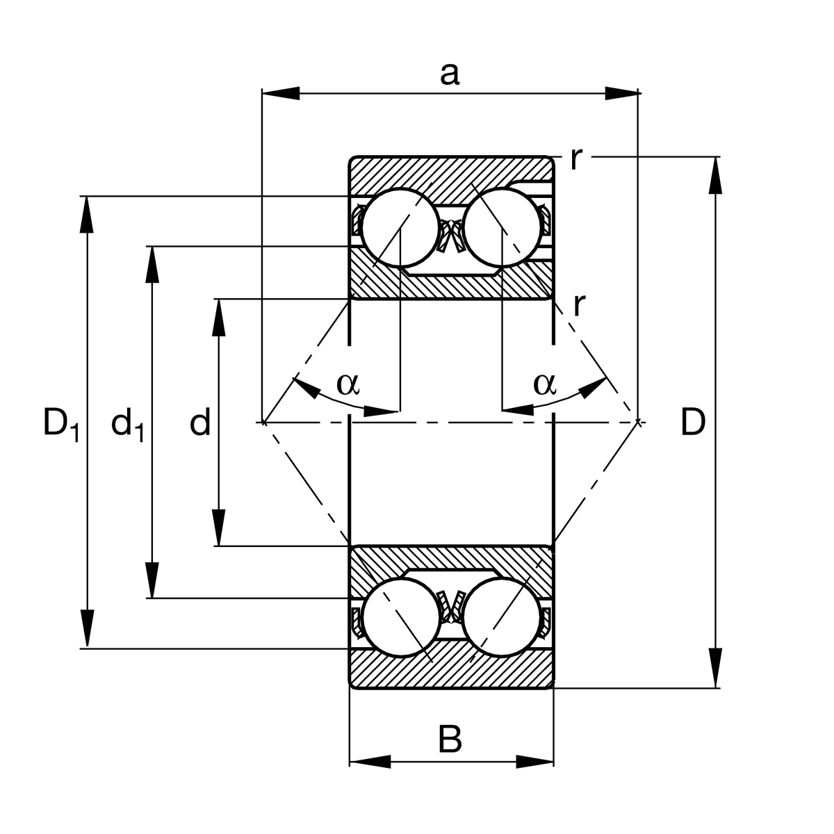
  • 主要尺寸和性能数据:
  • d: 100mm
  • D: 180mm
  • B: 60.3mm
  • Cr: 186,000N
  • C0r: 235,000N
  • Cur: 10,300N
  • nG: 3,750 r/min
  • ner: 4,050 r/min
  • ≈m: 5.96kg
  • 尺寸:
  • rmin: 2.1mm
  • D1: 163.7mm
  • d1: 131mm
  • a: 127.4mm
  • 啊: 35°
  • 安装尺寸:
  • da: min112mm
  • Da: max168mm
  • ra: max2.1mm
  • 温度范围:
  • Tmin: -30°C
  • Tmax: 150°C


温馨提示 ×
商品已成功加入购物车!
购物车共 0 件商品
去购物车结算
微信 ×

打开微信,点击底部的“发现”

使用“扫一扫”即可将网页分享至朋友圈