全部分类
舍弗勒 FAG 6210-C-C3#E 深沟球轴承
收藏

舍弗勒 FAG 6210-C-C3#E 深沟球轴承

售价
登录可见 / 套
0销量
FAG

FAG

德国FAG集团成立于1883 年,是全球第一家轴承制造商。自2001年起,FAG成为德国舍弗勒集团的一部分,并在集团的航天、汽车和工业领域起到了积极和重要的作用

优惠券
满5000减100
满1000减20
  • 100 满5000减100

    全场适用

  • 20 满1000减20

    全场适用

配送至
运输方式
  • 出库执行
    出库时间
    售价
    库存
    产地及备注
    购买数量
  • 华东X8仓
    周一~周六截单:17:30:00
    ¥登录可见
    25
    暂无
    - +
已选 0 0
金额: ¥0.00
  • #E: :商业包装
  • -C: :C系列DGBB产品
  • 您当前的产品型号: 您当前的产品型号
  • 密封: 不带 无
  • 保持架: JN 冲压钢板
  • 公差等级: PN PN
  • 尺寸/热稳定性: to 120°
  • 润滑剂: 不带 无
  • 内部径向游隙: CN 组N(CN)
  • 内孔类型: Z 圆柱
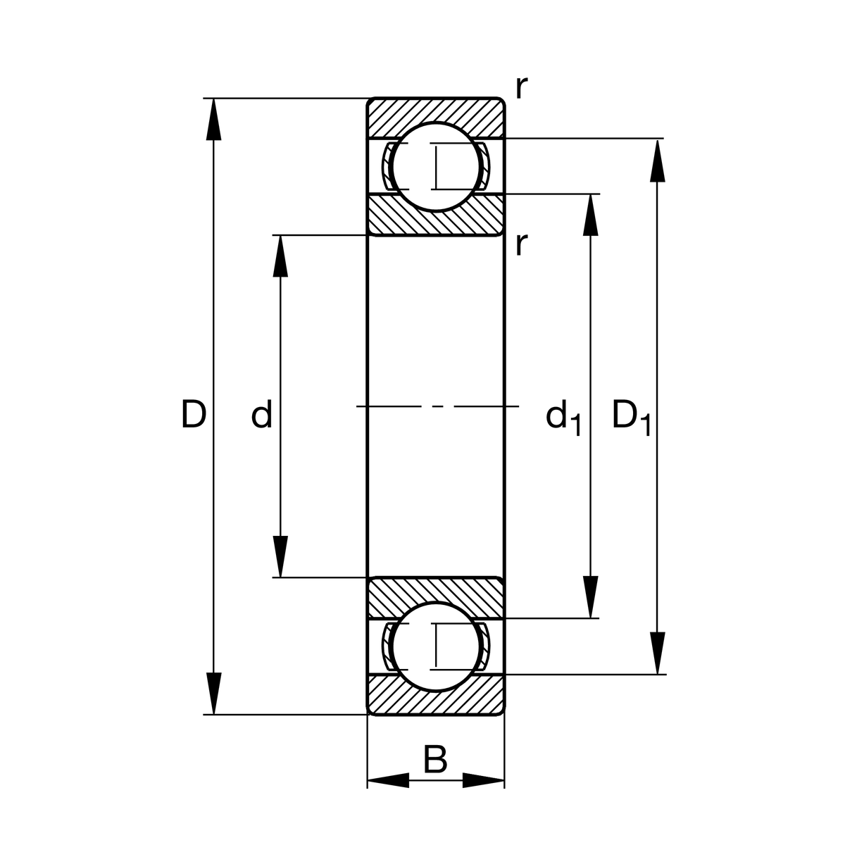
  • 主要尺寸和性能数据:
  • d: 50mm
  • D: 90mm
  • B: 20mm
  • Cr: 39,000N
  • C0r: 24,200N
  • Cur: 1,460N
  • nG: 10,5001/min
  • ner: 8,2001/min
  • ≈m: 0.463kg
  • 尺寸:
  • rmin: 1.1mm
  • D1: 77.9mm
  • d1: 62mmShoulderdiameterinner
  • 安装尺寸:
  • da: min57mm
  • Da: max83mm
  • ra: max1.1mm
  • 计算因素:
  • f0: 14.3
  • 温度范围:
  • Tmin: -30°C
  • Tmax: 120°C
6210-C-C3#E
温馨提示 ×
商品已成功加入购物车!
购物车共 0 件商品
去购物车结算
微信 ×

打开微信,点击底部的“发现”

使用“扫一扫”即可将网页分享至朋友圈