全部分类
收藏

促销 舍弗勒 FAG 23184-BEA-XL-K-MB1-T52BW-C4 调心滚子轴承

调心滚子轴承231..-BEA-XL-K-MB1,带平挡圈的2对称外挡边

售价
登录可见 / 套
0销量
FAG

FAG

德国FAG集团成立于1883 年,是全球第一家轴承制造商。自2001年起,FAG成为德国舍弗勒集团的一部分,并在集团的航天、汽车和工业领域起到了积极和重要的作用

优惠券
满5000减100
满1000减20
  • 100 满5000减100

    全场适用

  • 20 满1000减20

    全场适用

配送至
运输方式
  • 出库执行
    出库时间
    售价
    库存
    产地及备注
    购买数量
  • 华北P7仓
    周一~周六截单:17:30:00
    ¥登录可见
    2
    暂无
    - +
  • 华东1A仓
    周一~周五截单:17:20:00
    ¥登录可见
    4
    暂无
    - +
已选 0 0
金额: ¥0.00
  • T52BW-C4: :P5运行精度,降低的外圈和宽度公差,C4游隙,相当C084
  • K-MB1: :带锥度,单片式机加工黄铜保持架,内圈引导
  • BEA: :带活动中档圈
  • XL: :X-life长寿命设计
  • 再润滑特性: 标准 标准
  • 内部径向游隙: CN 组N(CN)
  • 保持架: MB1 实体黄铜保持架
  • 内孔类型: K 锥形,锥度1:12
  • 设计: BEA 带活动中档圈
  • 您当前的产品型号: 您当前的产品型号
  • Tmax: 200°C
  • Tmin: -30°C
  • 温度范围:
  • AH3184G-H:
  • H3184-HG:
  • 附加信息:
  • Y0: 2.13
  • Y2: 3.24
  • Y1: 2.18
  • e: 0.31Fa/Fr
  • 计算因素:
  • Ba: min16mm
  • db: min443mm
  • da: max483mm
  • ra: max5mm
  • Da: max674mm
  • da: min446mm
  • 安装尺寸:
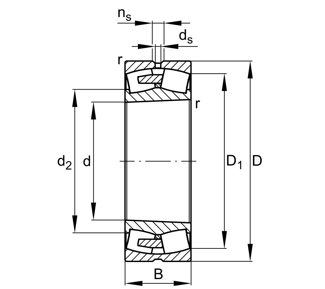
  • ns: 23.5mm
  • ds: 12.5mm
  • D1: 609.8mm
  • rmin: 6mm
  • 尺寸:
  • ≈m: 333kg
  • ner: 4551/min
  • nG: 8601/min
  • Cur: 660,000N
  • C0r: 9,600,000N
  • Cr: 6,000,000N
  • B: 224mm
  • D: 700mm
  • d: 420mm
  • 主要尺寸和性能数据:
23184-BEA-XL-K-MB1-T52BW-C4
温馨提示 ×
商品已成功加入购物车!
购物车共 0 件商品
去购物车结算
微信 ×

打开微信,点击底部的“发现”

使用“扫一扫”即可将网页分享至朋友圈